Pulttikytkimen murtopultti katkeaa vääntömomentin ylittäessä raja-arvon.
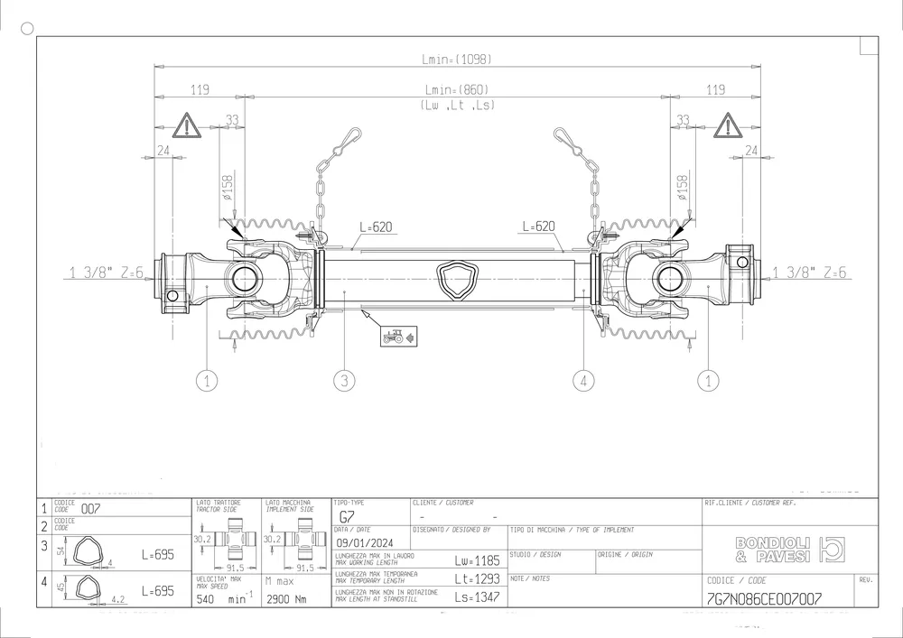
• pituus ristikon keskeltä ristikon keskelle min. 86 cm
• teho (hv) 64
• ristikon mitat 30,2 x 91,4
Global-sarja on Bondiolin uusin sarja, jossa on käytetty uusia innovaatioita ja viimeisintä teknologiaa. Global-sarja tarjoaa korkeaa laatua edulliseen hintaan.
Bondioli & Pavesi -nivelakseleiden etiketissä on rasvaustaulukko, josta näkee rasvauskohteet ja -määrät.
Bondioli & Pavesi -nivelakseleiden etiketissä on myös QR-koodi, jolla saat älypuhelimeen tai muuhun mobiililaitteeseen käyttö- ja turvallisuusohjeet kätevästi ja nopeasti.






