Vapaakytkintä tarvitaan esimerkiksi lumilingoissa. Sen ansiosta lumilingon massa ei vahingoita traktorin ulosottopakkaa tai jarrua. Pulttikytkin on ylikuormitustilanteita varten. Muina käyttökohteina ovat mm. perävaunut, jyrsimet, hakkurit ja turvekoneet.
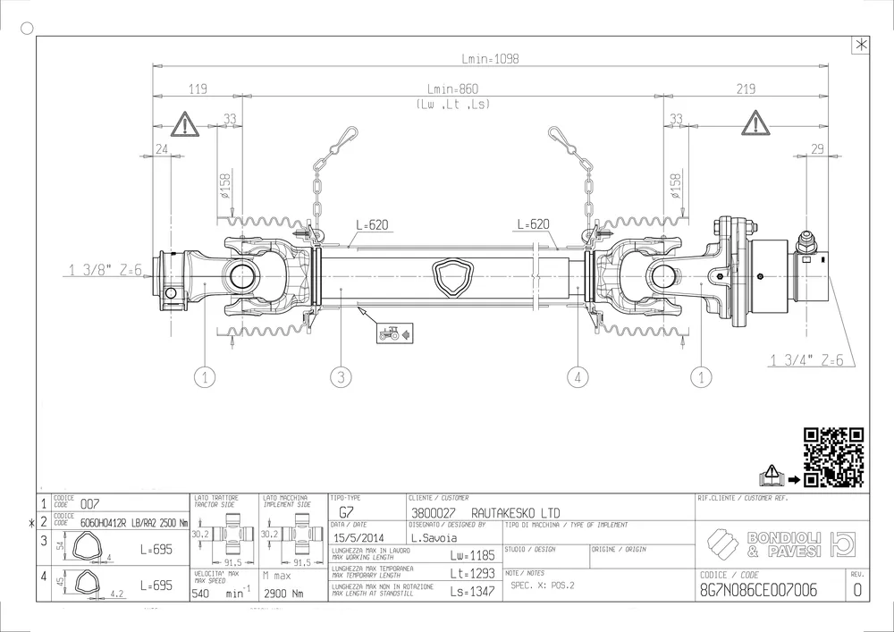
• Pituus ristikon keskeltä ristikon keskelle min. 86 cm
• Teho (hv) 64
• Ristikon mitat 30,2 x 91,5
Global-sarja on Bondiolin uusin sarja, jossa on käytetty uusia innovaatioita ja viimeisintä teknologiaa. Global-sarja tarjoaa korkeaa laatua edulliseen hintaan.
Bondioli & Pavesi –nivelakseleiden etiketissä on rasvaustaulukko, josta näkee rasvauskohteet ja –määrät.
Bondioli & Pavesi -nivelakseleiden etiketissä on QR-koodi, jolla saat älypuhelimeen tai muuhun mobiililaitteeseen käyttö- ja turvallisuusohjeet kätevästi ja nopeasti.







